WAF, Standlautsprecher   in K+T 3/2011

technische Daten:
- Impedanz: 4 Ohm
- Kennschalldruck (2,83V/1m): 82 dB
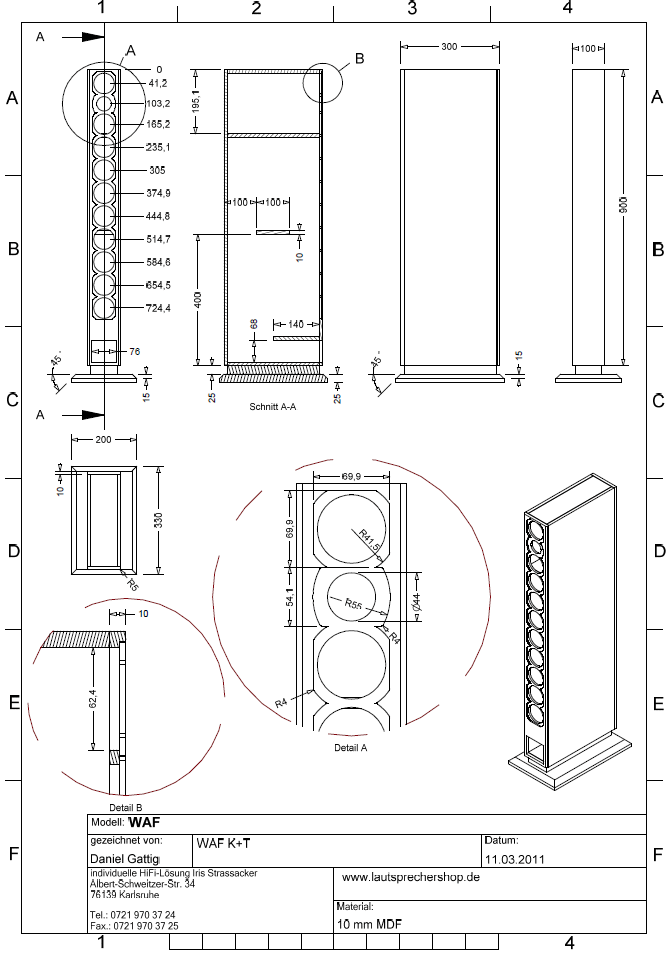
- Maße (HxBxT): 950 x 100 x 300 mm
- Frequenzbereich (-8dB): 45 - 30000 Hz
- Trennfrequenz(en): 180, 3000 Hz
- Prinzip: Bassreflexbox

WAF (WAF = Wife Acceptance Faktor) erhielt ihren Namen, da sie unauffällig schlank ist und somit die gemeinsamen Wohnräume aus Sicht der Ehefrau nicht verunstaltet.

WAF ist als Bassreflexbox konstruiert, ihre Öffnung ist unterhalb der Tieftöner angeordnet. Ein Peerless Tweeter BC25SC55-04 wird von zwei Wavecor Bässen SW070 WA02 umgeben. Den Tiefbass machen 8 weitere Wavecor-Tieftöner des gleichen Typs.

WAF ist ein zierlicher Standlautsprecher, unauffällig schmal und dennoch in der Lage einen großen Raum zu beschallen. Auf der Selbstbaumesse in Stuttgart 2011 beschallte sie mit Leichtigkeit 100 m2. Durch die schmale Front wurde als Nebeneffekt erzielt, dass das Rundstrahlverhalten ganz außergewöhnlich gut ausfällt.

Sie taugt nicht nur als HiFi-Box, sondern auch als hochwertige Heimkinobox, die den meisten anderen Heimkinoboxen voraus hat, dass das Publikum nicht nur im Sweet Spot optimal beschallt wird.

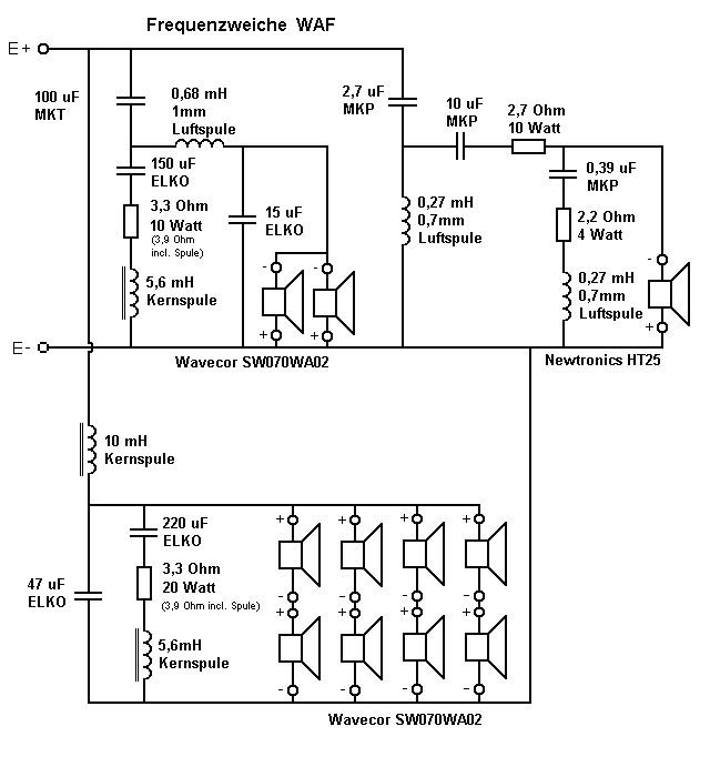
Die Frequenzweiche ist als 3 Wege-Weiche aufgebaut. Die zwei Tieftöner, die den Hochtöner umgeben, arbeiten als Mitteltöner. Die Anordnung entspricht der d'Appolito-Anordnung (M-H-M), die klangtechnisch dem Ideal einer Punktschallquelle nahe kommt. Die restlichen 8 Tieftöner erzeugen den Bass.

Ein Ausschnitt aus dem Klang+Ton Hörtest

.. "Die WAF zeigt im Hörraum, dass sie es durchaus versteht, ordentlich Dampf zu machen. Der Bass ist trocken, tief und besitzt eine erstaunliche Autorität. Die Störungen im Mitteltonbereich fallen nicht weiter auf, während die Senke im Grundton sich in einer gewissen Leichtigkeit bemerkbar macht. Gesang wird so sehr präzise und gut verständlich wiedergegeben. Die räumliche Ortbarkeit ist sehr gut - ebenso die klar definierte Mitte der imaginären Bühne. In Sachen Dynamik kann die schlanke Säule mit deutlich dickeren Boxen ganz gut mithalten - mit Unterstützung einer Wand im Rücken klingt sie sogar richtig mächtig. Der Hochtöner setzt deutliche Akzente - aber wie gesagt: Wer in diesem Bereich mehr Milde möchte, dreht die Box einfach ein bisschen vom Hörplatz weg und freut sich über große Ausgeglichenheit bei unverminderter Detailauflösung. Und das ist es, was die WAF auszeichnet: Neutralität und Präzision, die einhergeht mit Spielfreude und eben einer nahezu unglaublichen Kompaktheit. "

Das Fazit aus Klang+Ton

"Für hifigeplagte Beziehungen kann die extrem schlanke WAF eine echte Problemlösung darstellen - aber neben ihrem minimalen Platzbedarf überzeugt sie mit noch mehr: Sie ist ein richtig guter Lautsprecher. "



 

   

Unser Bausatz WAF 2013 besteht aus

  • Peerless Tweeter BC25SC55-04
  • 10 Stück Wavecor Tieftöner SW070 WA02, 8 Ohm
  • Dämmmaterial aus Polyesterwatte
  • Polklemmen, vergoldet, rot+schwarz
  • 8m Lautsprecherkabel 2x1,5 mm2, transparent
  • Pan-Schrauben 3,5x17 schwarz, 44 Stück
  • Bauplan für den Bausatz

den Frequenzweichenbauteilen (rechts),
auf einem Holzbrettchen aufzubauen.

  • Audaphon MKP CAP Superior 0,47 μF / 400 Vdc
  • Audaphon MKP CAP Superior 2,7 μF / 400 Vdc
  • Audaphon MKP CAP Superior 10 μF / 400 Vdc
  • MKT-Kondensator 100uF
  • Elko rau, 150 μF/100 Vdc
  • Elko rau, 220 μF/63 Vdc
  • Elko glatt, 15uF / 70 Vdc
  • Elko glatt, 47uF / 50 Vdc
  • 0,7 mm Luftspule, 0,27 mH/0,44 Ohm
  • 0,7 mm Luftspule, 0,18 mH/0,44 Ohm
  • 1,0 mm Luftspule, 0,68 mH/0,39 Ohm
  • 2x Mundorf H-Kern-Spule H71, 5,6 mH/0,62 0hm
  • Mundorf BS125-Kernspule 10mH/0,46Ohm
  • Keramikwiderstand 3,3 Ohm/20 Watt
  • 2x MOX10-Widerstand 10 Ohm/10 Watt (braun-schwarz-gold)
  • MOX10-Widerstand 2,7 Ohm/10Watt (rot-violett-gold)
  • MOX10-Widerstand 3,3 Ohm/10Watt (orange-orange-gold)

Bausatz ohne Gehäuse, Preis pro Lautsprecher - nicht lieferbar

Falls Sie die Frequenzweiche lieber auf einer 240 x 165 mm Rasterplatte statt auf Holz aufbauen wollen:
Rasterplatte RA240, Best.-Nr. str-RA240, Preis pro Stück: EUR 8,60 ohne MwSt: € 7.23 / $ 8.46
Pro Bausatz empfehlen wir eine Platte (für ein Paar Lautsprecher also 2)

Bausatz mit High-End-Weiche

In unserer High-End-Version haben wir zum Teil Backlackspulen (Hochtöner, Mitteltöner) eingesetzt und die Kondensatoren etwas höherwertig gewählt.

  • Elko rau, 150 μF/100 Vdc
  • Elko rau, 220 μF/63 Vdc
  • Audaphon MKP CAP Superior 0,47 μF / 400 Vdc
  • Audaphon MKT Kondensator 47 μF / 160 Vdc
  • ClarityCap PWA Kondensator 100 μF / 160 Vdc
  • ClarityCap ESA Kondensator 2,7uF / 250 Vdc
  • ClarityCap ESA Kondensator 10 μF / 250 Vdc
  • Audaphon MKP CAP Superior 15 μF / 400 Vdc
  • Audaphon MKP CAP Superior 1 μF / 400 Vdc
  • 0,7 mm Mundorf Backlack-Luftspule, 0,27 mH/0,45 Ohm
  • 0,7 mm Mundorf Backlack-Luftspule, 0,18 mH/0,45 Ohm
  • 1,0 mm Mundorf Backlack-Luftspule, 0,68 mH/0,39 Ohm
  • Mundorf H-Kern-Spule H71, 5,6 mH/0,62 0hm
  • Mundorf BS125-Kernspule 10mH/0,46Ohm
  • Keramikwiderstand 3,3 Ohm/20 Watt
  • 2x MOX10-Widerstand 10 Ohm/10 Watt (braun-schwarz-gold)
  • MOX10-Widerstand 2,7 Ohm/10Watt (rot-violett-gold)
  • MOX10-Widerstand 3,3 Ohm/10Watt (orange-orange-gold)

Bausatz mit High-End-Weiche ohne Gehäuse, Preis pro Lautsprecher - nicht lieferbar

Falls Sie die Frequenzweiche lieber auf einer 240 x 165 mm Rasterplatte statt auf Holz aufbauen wollen:
Rasterplatte RA240, Best.-Nr. str-RA240, Preis pro Stück: EUR 8,60 ohne MwSt: € 7.23 / $ 8.46
Pro Bausatz empfehlen wir eine Platte (für ein Paar Lautsprecher also 2)
 

der Bauplan

Der Sockel wird benötigt, damit die Box eine gute Standfestigkeit aufweist. Ohne Sockel ist die Box nur 90 cm hoch.

Beim Bau der Box beginnt man am besten mit einer Seitenwand auf der Stück für Stück alle Teile außer der gegenüberliegenden Wand montiert werden. Wegen der großen Frequenzweiche, die man nicht durch eine Chassis-Öffnung einschieben kann, empfiehlt es sich eine Wand abnehmbar zu machen.

Der Bauplan als PDF-Datei

die Frequenzweiche

Die Frequenzweiche ist auf eine Holzplatte zu montieren. Dazu werden die Bauteile auf einer Seite der Platte befestigt; die Verdrahtung erfolgt auf der anderen Seite.

Wahlweise kann die Frequenzweiche auf einer Rasterplatte aufgebaut werden, die separat zu bestellen ist.
 


  zur Klang- und Ton-Übersicht