Differenzstufe, Grundlagen

Dr.-Ing. Peter Strassacker
Email: peter@lautsprechershop.de
 
Um beim Verstärker eine Gegenkopplung zu realisieren, ist eine Differenzstufe hilfreich, die zwei Eingänge hat, wovon einer das Signal addiert der andere subtrahiert.

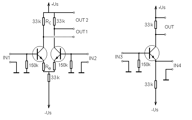
Zwei derartige Differenzstufen sind nachfolgend zu sehen: Differenzstufen

Rechts ein Transistor, den man auch als Differenzverstärker verwenden kann. Erhöht man sein Basis-Potential (Spannung an der Basis positiver), dann leitet er mehr; durch den Ausgangswiderstand fließt mehr Strom. Erhöht sich das Potential am Emitter-Eingang, so nimmt die Basis-Emitter-Spannung ab, der Transistor leitet weniger und der Strom durch den Emitterwiderstand nimmt ab. Er reagiert also genau entgegengesetzt auf die Potentiale der beiden Eingänge.

Die Differenzstufe auf der linken Seite hat mit der rechts gewisse Gemeinsamkeiten: Sie reagiert auf Spannungsveränderungen an der Basis am Eingang IN1 ähnlich. Der zweite Eingang IN2 wirkt über einen Emitterfolger auf den Emitter des linken Transistors.

Der Differenzverstärker links ist symmetrischer. Wenn man beide Seiten gleich aufbaut, ist er absolut symmetrisch; außerdem benötigt er keinen hohen Eingangsströme - im Gegensatz zu Eingang IN4, der recht niederohmig ist.

Die Widerstände Rc und RE bestimmen wie bei der Emitterstufe, die Spannungsverstärkung zu V = RC / RE, wenn die Spannung am Emitterwiderstand URe >> UT (= Temperaturspannung, 26 mV).

Ist der Emitterwiderstand Re = 0 (fehlt er also), so ergibt sich die Spannungsverstärkung V zu V = U (am Widerstand RC) / UT (mit UT = 26 mV bei Zimmertemperatur)

Wenn hingegen nur einer der Ausgänge verwendet wird, dann ist die Spannungsverstärkung nur halb so gross (V = Rc / 2*Re).
 
zurück zur Übersicht