Die Gegenkopplung, Grundlagen

Dr.-Ing. Peter Strassacker
Email: peter@lautsprechershop.de
 
Moderne Audio-Verstärker haben zum Ziel den Klang nicht zu verfälschen. Um diesem Ziel möglichst nahe zu kommen, setzt man die Gegenkopplung ein.

Gegenkopplung funktioniert wie folgt:
- man verwendet einen Spannungsverstärker, der sehr viel höher verstärkt als benötigt
- die Verstärkung vermindert man, indem das Ausgangssignal rückgeführt wird,
- indem es vom Eingangssignal abgezogen wird.

Nachfolgendes Bild beschreibt die Situation allgemein. Wenn Sie nur das Ergebnis sehen wollen, so überspringen Sie die Berechnung. Gegenkopplung
Wählt man den Rückkopplungsfaktor zu k, so dass also ist:
UR = k * Uout

dann ist mit:
Ud = Uin - UR

und mit der Spannungsverstärkung VU des Verstärkers:
Uout = VU * Ud = VU * (Uin - UR) = VU * (Uin - k * Uout)

und nach Uout aufgelöst:
Uout * (1 + k * VU) = VU * Uin

oder
Uout = VU * Uin / (1 + k * VU) = Uin / (1/VU + k)

V = Uout / Uin = 1/(1/VU + k) = (1/k) / (1/(VU*k) + 1)

Wird k nun durch einen Widerstandsteiler bestimmt (siehe Bild)
mit k = R1 / (R1+R2), so ergibt sich die Gesamt-Spannungsverstärkung V:

V = (1/k) / (1/(VU*k) + 1) = ((R1 + R2) / R1) / (1/(VU*R1 / (R1+R2)) + 1),

V = ((R1 + R2) / R1) / (((R1+R2)/(R1*VU) + 1),
wobei der blaue Term gegen 1 geht (also verschwindet), wenn VU sehr groß ist.

In der Verstärkertechnik zeichnet man den Summationspunkt nicht wie oben gezeichnet separat vor den Verstärker, sondern direkt an das linke Seite des Dreiecks. Das Dreieck mit den zwei Eingängen ist also ein Symbol für Verstärker.

Ergebnis der Verstärkungsberechnung

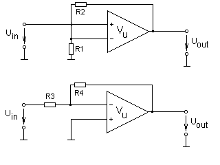
Im nachfolgenden Bild sind nun zwei Verstärker zu sehen:
  Gegenkopplung
a) der obere, der aufgebaut ist
    wie im Bild ganz oben.
    Sein Verstärkungsfaktor ist
    falls VU sehr groß ist:
    V = (R1 + R2) / R1

b) der untere, der ein invertierender
    Verstärker ist.
    Sein Verstärkungsfaktor ist
    falls VU sehr groß ist:
    V = - R4 / R3
Zusammengefasst: Die Verstärkung eines gegengekoppelten Verstärkers läßt sich leicht durch das Verhältnis der Widerstände bestimmen. Diese Berechnung ist recht genau, wenn die Verstärkung des eigentlichen Verstärkers VU >> V.

Gegenkopplung - aber wozu?

Im Bild unten ist für einen Verstärker die frequenzabhängige Spannungsverstärkung (grüne Linie) gezeichnet.

Mittels eines Gegenkopplungsnetzwerks soll die Verstärkung V auf +100 eingestellt werden (blaue Linie),
was mit Widerständen R1 = 1 kΩ und R2 = 99 kΩ gemacht wird: V = (1+99)/1 = 100.

Tatsächlich ergibt sich daraus ein Frequenzgang gemäß der roten Linie. Bodediagramm
Die Gegenkopplung bringt folgende Vorteile:
- es lässt sich über große Frequenzbereiche eine konstante Verstärkung einstellen.
- der Ausgangswiderstand der Schaltung lässt sich um das Verhältnis VU/V
  verringern, also beispielsweise bei 10 Hz um Faktor 100 000.
- Störungen, die im Verstärker auftreten, können ebenso um diesen Faktor reduziert werden,
  wenn die Störung nicht durch das Summationsglied (Bild ganz oben) kommt.

Frequenzgang, Stabilität, Schleifenverstärkung

Nachdem die Regeln für die Gegenkopplung von Verstärkern nun aufgestellt sind, müssen wir noch etwas ins Detail gehen.

Oben aufgeführte Berechnungen gelten, wenn das gegengekoppelte Signal 180 Grad phasenverschoben zum Eingangssignal addiert wird.

Gibt es größere Phasendrehungen, so neigt der Verstärker zum Überschwingen und kann sogar instabil werden.

Instabil ist er genau dann, wenn seine zusätzliche Phasendrehung nochmals 180 Grad beträgt, so dass die gesamte Phasendrehung dann zu 360 grad wird und wenn dabei die Schleifenverstärkung größer 1 ist. (Sinngemäß wird dann aus der Gegenkopplung eine Mitkopplung)

Die Schleifenverstärkung ist der Quotient aus V und VU, oder anders ausgedrückt: Sie gibt an, wievielfach der nicht gegengekoppelte Verstärker mehr verstärken könnte, als der gegengekoppelte Verstärker.

Um die Zusammenhänge etwas deutlicher zu machen, stellen wir die Verhältnisse in einem Bode-Diagramm dar:

Stellen Sie sich vor, Sie hätten einen Verstärker, der bei tiefen Frequenzen 10 000 000-fach verstärkt und der bei 100 kHz und bei 10 MHz jeweils Tiefpassverhalten zeigt.

Das zugehörige Frequenzgang- und Phasendiagramm ist unten grau eingezeichnet. Wenn Sie nun damit einen Verstärker mit Verstärkungsfaktor 100 (blaue Linie) aufbauen wollen, so macht dies Probleme, dann bei 60 MHz ist die Phasendrehung 180 Grad und die Verstärkung VU (grau) ist noch weit höher als die Soll-Verstärkung V (blau). Der Verstärker wird instabil, da aus der Gegenkopplung eine Mitkopplung wurde.
Bodediagramm
Abhilfe: Der Tiefpass bei 100 kHz muss so modifiziert werden, dass er sehr viel früher einsetzt.
Dadurch geht die frequenzabhängige Verstärkung (nun rot) so weit herunter, dass bei
60 MHz (wo wieder die Phase von 180 Grad erreicht wird, nun V >> VU ist.

Man kann es auch ganz allgemein sagen: Der Spannungsverstärker sollte wenn möglich nur eine Polstelle haben, d.h. nur einen Tiefpass im gesamten Frequenzbereich aufweisen. Dieser senkt die Verstärkung so stark, dass sie im Bereich wo die Phase 180 Grad Verzögerung (besser mit etwas Reserve: 120 Grad) erreicht nun V >> VU ist.

Sehr viel ausführlicher sind die Berechnungen in Tietze, Schenk, Halbleitertechnik beschrieben; dennoch ist dies leider kein Kochbuch für den Verstärkerbau, sondern ein sehr gutes Grundlagenbuch.
 
zurück zur Übersicht